Un condensador plano de armaduras rectangulares está conectado a una batería de 15 V. Sabiendo que la separación entre sus placas es de 2.5 mm y que está cargado con 90 nC, ¿cuál es el área de sus armaduras?
Dato:
Una carga puntual de 0,35 está en el origen de coordenadas y otra carga puntual de 0,012
está en el punto (0,4). Determina el campo eléctrico resultante en los puntos (0, 2) y (0, 6). Las coordenadas están expresadas en metros.
Dato:
Se tienen cinco cargas iguales +Q colocadas en los vértices de un hexágono regular de lado L. Calcula el campo eléctrico que generan en el punto (x, 0), en el que no hay carga.
Una carga puntual de 12 C está en el punto (0, 0). ¿Qué trabajo será necesario para trasladar otra carga de 3
C desde el infinito hasta el punto (5, 0)? Si, partiendo del reposo, dejamos libre esta segunda carga, ¿cuál será su energía cinética cuando esté a gran distancia del origen? Las coordenadas están en metros.
Dos esferas idénticas de 1 kg de masa penden de sendos hilos de 10 cm de longitud. Cuando se les transmite una carga de C a cada una se separan por acción de la fuerza de repulsión que se establece entre ellas. Si la tensión que soporta cada hilo es de 21.25 N, ¿qué ángulo formará cada uno de los hilos con la vertical?
Datos: ;
Un protón se coloca en el seno de un campo eléctrico horizontal y uniforme E = 5 N/C. ¿Cuál será la celeridad del protón cuando haya recorrido 4 cm?
Datos: ;
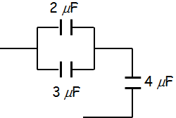
Para la asociación de condensadores de la figura calcula:
a) La capacidad equivalente.
b) La carga almacenada en cada condensador.
c) La energía total almacenada.

Un condensador de 120 pF se carga con 80 nC, ¿cuánta energía almacena? Si se descarga hasta que queda la mitad de la carga inicial, ¿cuánta energía quedaría?
- 0
- 10