En la siguiente figura se ilustra una asociación mixta de resistencias. Encuentra el valor de la resistencia equivalente, explicando el proceso para llegar a valor buscado:

Un generador de fem se conecta a un circuito. Si cuando circula una intensidad de 10 A la tensión entre los bornes del generador es de 11.2 V, ¿cuál es la resistencia interna del generador?
Un generador de fem 12 V se conecta a un circuito. Si cuando circula una intensidad de 10 A la tensión entre los bornes del generador es de 11.2 V, ¿cuál es la resistencia interna del generador?
Una pila seca tiene una fem de 1.52 V. Su terminal baja a cero cuando una corriente de 25 A pasa a través de ella. ¿Cuál es la resistencia interna de la pila?
Calcula el valor de la resistencia interna de una batería de 16 V de «fem» si al conectarlo con una resistencia externa de , la intensidad del circuito es de 1 A.
La diferencia de potencial entre los terminales de una batería es de 8.40 V cuando la atraviesa una corriente de 1.5 A desde su terminal negativo a su terminal positivo. Cuando la corriente es de 3.5 A en sentido inverso, la diferencia de potencial es de 10.2 V. ¿Cuál es la resistencia interna de la batería? ¿Cuál es la fem de la batería?
Por un conductor de aluminio de 1 mm de diámetro y 10 m de largo circula una corriente de 2 mA en 1 minuto. Calcula:
a) El número de electrones que pasan por la sección.
b) La resistencia del conductor.
Encuentra la resistencia e intensidad totales en el circuito, la potencia, y la energía eléctrica y el precio si el circuito funciona durante 2 h y el kW·h cuesta 0.80 euros.

Determina las resistencias, a , de 100 m de alambre de aluminio sólido que tiene los siguientes radios: a) 0.5 mm y b) 0.005 mm.
Dato:
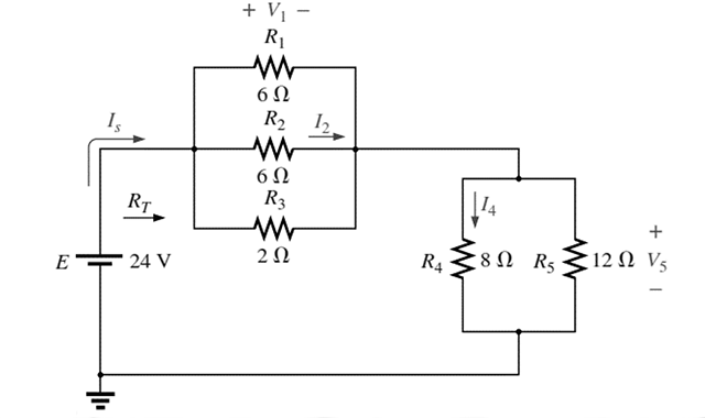
Para el siguiente circuito:

a) Determina la resistencia equivalente y la corriente de la fuente.
b) Determina la tensión en la resistencia de
.
c) Determina la corriente e
.
d) Determina la caída de voltaje .