P.-S.
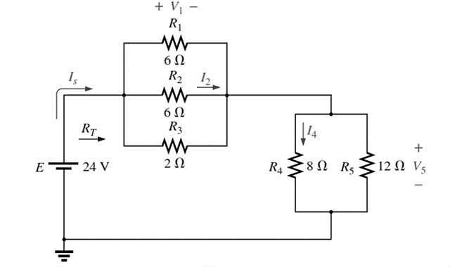
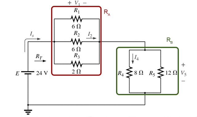
a) El primer paso para calcular la resistencia equivalente puede ser hacer las asociaciones de resistencias en paralelo por separado y luego sumarlas, al estar en serie. El circuito quedaría:
La resistencia equivalente del circuito es:
![R_{eq} = R_A + R_B = (1.2 + 4.8)\ \Omega = \fbox{\color[RGB]{192,0,0}{\bm{6\ \Omega}}} R_{eq} = R_A + R_B = (1.2 + 4.8)\ \Omega = \fbox{\color[RGB]{192,0,0}{\bm{6\ \Omega}}}](local/cache-vignettes/L283xH22/a3b6b6cb274c51f9d7f7028ab0e94f0d-df783.png?1732954261)
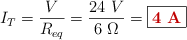
La corriente de la fuente es, aplicando la ley de Ohm:
![I_T = \frac{V}{R_{eq}} = \frac{24\ V}{6\ \Omega} = \fbox{\color[RGB]{192,0,0}{\bf 4\ A}} I_T = \frac{V}{R_{eq}} = \frac{24\ V}{6\ \Omega} = \fbox{\color[RGB]{192,0,0}{\bf 4\ A}}](local/cache-vignettes/L187xH40/1b567dbbd0138ddce202f64f0a822dc1-21879.png?1732954261)
c) Como las resistencias

y

son iguales, es buena idea calcular la intensidad

antes que la caída de potencial del apartado anterior. Si centras tu atención en la asociación en paralelo llamada
A se debe cumplir la ecuación:
Las intensidades

e

son iguales y las puedes escribir solo como

, además la suma de las tres intensidades es igual a la intensidad total:
Sustituyes en la primera ecuación y obtienes:
![6I_2 = 2(4 - I_2)\ \to\ 10I_2 = 8\ \to\ \fbox{\color[RGB]{192,0,0}{\bm{I_2 = 0.8\ A}}} 6I_2 = 2(4 - I_2)\ \to\ 10I_2 = 8\ \to\ \fbox{\color[RGB]{192,0,0}{\bm{I_2 = 0.8\ A}}}](local/cache-vignettes/L333xH24/27759818166bcd85fd9b091e7e4f3bd1-2dd20.png?1732954261)
La intensidad

la puedes calcular si aplicas las ecuaciones:
![\left 8I_4 = 15I_5 \atop I_4 + I_5 = 4 \right \}\ \to\ 8I_4 = 15(4 - I_4)\ \to\ I_4 = \fbox{\color[RGB]{192,0,0}{\bf 2.73\ A}} \left 8I_4 = 15I_5 \atop I_4 + I_5 = 4 \right \}\ \to\ 8I_4 = 15(4 - I_4)\ \to\ I_4 = \fbox{\color[RGB]{192,0,0}{\bf 2.73\ A}}](local/cache-vignettes/L378xH40/2e72d7dc18d0e6a15876020eebd79207-d2367.png?1732954261)
b) Ahora puedes calcular la caída de potencial

porque conoces la intensidad de corriente que atraviesa la resistencia:
![V_1 = I_1\cdot R_1 = 0.8\ A\cdot 6\ \Omega = \fbox{\color[RGB]{192,0,0}{\bf 4.8\ V}} V_1 = I_1\cdot R_1 = 0.8\ A\cdot 6\ \Omega = \fbox{\color[RGB]{192,0,0}{\bf 4.8\ V}}](local/cache-vignettes/L255xH21/6331658891bb967e1ee360bf9a853d79-5c839.png?1732954261)
d) La corriente

es la diferencia entre la corriente total y la calculada para

:
La caída de voltaje

es:
![V_5 = I_5\cdot R_5 = 1.27\ A\cdot 12\ \Omega = \fbox{\color[RGB]{192,0,0}{\bm{15.2\ V}}} V_5 = I_5\cdot R_5 = 1.27\ A\cdot 12\ \Omega = \fbox{\color[RGB]{192,0,0}{\bm{15.2\ V}}}](local/cache-vignettes/L282xH21/46728e86510c0b1bbd231b3817b75c3f-1506b.png?1732954261)