Circuito eléctrico: intensidad y caída de potencial (3074)
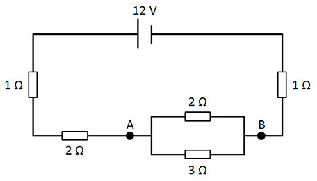
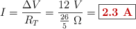
Determina la intensidad que circula por el circuito de la figura , así como la diferencia de potencial entre los puntos A y B:

Determina la intensidad que circula por el circuito de la figura , así como la diferencia de potencial entre los puntos A y B: